
The connection between the valve stem, valve stem nut, valve cover, handle, and limit cover has been specially designed, significantly improving the flow stability and accuracy of the diaphragm valve.
Suitable for situations where strict requirements are placed on flow stability.
The connection between the valve stem, valve stem nut, valve cover, handle, and limit cover has been specially designed, significantly improving the flow stability and accuracy of the diaphragm valve.
Suitable for situations where strict requirements are placed on flow stability.
The use of a single-layer rubber diaphragm made of wear-resistant and high-rebound EPDM material significantly improves the service life under slurry conditions compared to ordinary diaphragm valves and ball valves.
Suitable for slurry environments containing fine particles in the medium.
By improving the connection strength between the valve disc and diaphragm, the service life under vacuum conditions is significantly increased.
Suitable for negative pressure (vacuum) conditions.
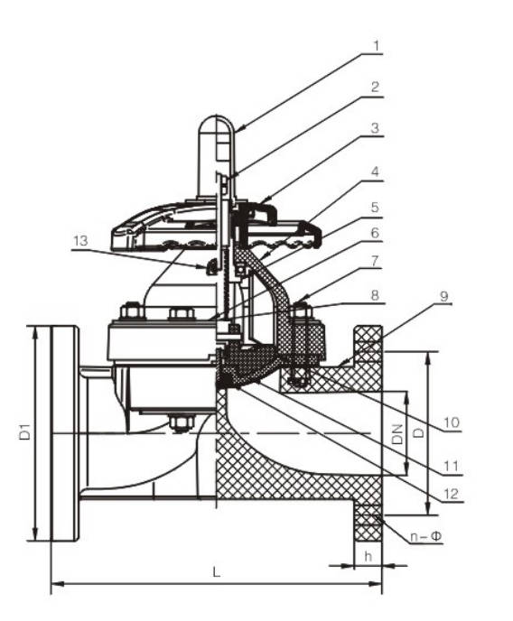
| No. | Parts | Materials |
|---|---|---|
| 1 | Gauge Cover | PC |
| 2 | Stud Nut | Steel, Stainless Steel |
| 3 | Hand Wheel | ABS, FRPP |
| 4 | Bonnet | HR-PP, FRPP, PPH, UPVC, CPVC, PVDF |
| 5 | Sleeve | Cast Iron, Copper Alloy |
| 6 | Board | Plastic-coated Steel, Stainless Steel |
| 7 | Stud Bolt & Nut | Steel, Stainless Steel |
| 8 | Stem | Steel, Stainless Steel, Copper Alloy |
| 9 | Body | FRPP, PPH, UPVC, CPVC, PVDF |
| 10 | Compressor | PVDF, CPVC, Cast Iron |
| 11 | Cushion | EPDM |
| 12 | Diaphragm | EPDM, FPM, FEP, PFA, PTFE |
| 13 | Grease Nipple | Copper Alloy, Stainless Steel (DN80–300 used only) |

If you want to improve the service life, sealing performance, or flow characteristics of a plastic diaphragm valve under specific working conditions, or if you need to upgrade it to pneumatic operation, or use it in more demanding environments (such as temperatures above 120°C or ultra-clean conditions), or replace imported diaphragm valves or expensive metal valves based on similar application experience, please contact us.
We have extensive industry experience and technical expertise, along with numerous successful cases, to help customers optimize performance and achieve the best possible results.
| Distinction | Body | Cushion | Diaphragm | Bolt and Nut | Transmission Control Structure | Production Process |
|---|---|---|---|---|---|---|
| Normal Type | FRPP, PPH, UPVC, CPVC, PVDF | EPDM | FEP / PFA | Normal Structure | Normal Structure | Normal Control |
| High Temperature Corrosion Resistant | PVDF Heat-Resistant Polypropylene (Solex + PVDF) | Special EPDM | PTFE Special PFA or Three-layer PTFE | Reinforcement Structure | Normal Structure | High Precision Control |
| Vacuum-Proof | FRPP, PPH, UPVC, CPVC, VDF | EPDM | High-strength FEP / PFA Connection | Normal Structure | Normal Structure | Normal Control |
| Accurate Flow Control | FRPP, PPH, UPVC, CPVC, PVDF | EPDM | FEP / PFA | Normal Structure | Special Design | High Precision Control |
| Slurry Resistant | FRPP, PPH, CPVC, PVDF | / | Single-layer Special EPDM | Normal Structure | Normal Structure | Normal Control |
Our company also provides optimization solutions for diaphragm valves made of other materials, such as FRPP. Please feel free to inquire.
Step 1: Order and Design
Confirm parameters based on the customer’s operating conditions (highly corrosive, high-purity, or highly abrasive environments) and complete the structural design of the severe-service diaphragm valve, including flow path optimization, diaphragm selection (PTFE/EPDM composite), and pressure rating calculations.

Step 2: Raw Material Preparation & Molding
Select high-performance engineering plastics (such as PTFE, PVDF, or PP) and reinforcing materials, then injection mold or compression mold the valve body to ensure the materials possess corrosion and temperature resistance, meeting the demanding operating conditions required for severe service diaphragm valves.

Step 3: Machining
The molded valve body undergoes precision machining, including finishing of sealing surfaces and dimensional correction of connection ends (flanges/clamps), to ensure the sealing integrity and assembly accuracy of the severe service diaphragm valve.

Step 4: Assembly
The diaphragm, valve bonnet, pressure plate, and fasteners are assembled according to the process flow, with preload carefully controlled to ensure uniform force distribution on the diaphragm, thereby achieving stable opening and closing performance for the severe service diaphragm valve.

Step 5: Testing & Quality Assurance
The finished product undergoes air tightness testing, pressure testing, and cycle life testing, with a focus on verifying the reliability and durability of the severe service diaphragm valve under extreme operating conditions.

Step 6: Finishing, Packaging and Shipment
Surface cleaning, protective treatment, and labeling are completed. Contamination-free packaging (suitable for high-purity applications) is used to ensure the severe service diaphragm valve remains undamaged during transport and meets delivery requirements.

Under specific operating conditions, if you have higher requirements for the service life, sealing performance, or flow characteristics of diaphragm valves, wish to upgrade to pneumatic automation control, or need to use them in more demanding environments (such as high-temperature conditions exceeding 120°C or ultra-pure media environments), we can provide tailored optimization solutions and product selection recommendations to meet diverse and customized application needs.
These valves are widely used in:

Oil and Gas

Chemical Processing

Power Plants

Water Treatment

Metallurgy and Mining

Agriculture and Irrigation






Superior Quality

Our valves are produced from high-grade materials and subjected to strict quality inspections to guarantee dependable performance in challenging industrial environments.
Advanced Technology

With cutting-edge CNC machining systems and high-precision manufacturing equipment, we ensure valves are made with outstanding accuracy and uniformity.
Competitive Pricing

By streamlining production processes and sourcing materials in bulk, we provide premium-quality valves at competitive prices while maintaining excellent standards.
Expert Support

Our skilled technical team offers full support from product selection through after-sales service, helping ensure the best valve performance for your application.
Request a Quote