

| Body Material | Valve Structure | Connection Standard | Action | Voltage | Other Functions |
|---|---|---|---|---|---|
| FRPP | Butterfly valve | HG | Ordinary Switch Type | AC220V | Anti-Explosion |
| PPH | Eccentric Butterfly Valve | DIN | Passive Contact Information | AC380V | — |
| CPVC | — | ANSI | Intelligent Control Type | AC110V | — |
| UPVC | — | JIS | — | DC24V | — |
| PVDF | — | — | — | DC220V | — |
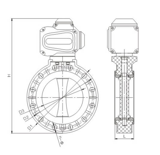
| DN (mm) | D1 | D2 (GB) | D2 (JIS) | D2 (ANSI) | D3 (Inner Dia) | L | H | n-Φ (GB) | n-Φ (JIS) | n-Φ (ANSI) |
|---|---|---|---|---|---|---|---|---|---|---|
| 32 | 140 | 100 | 100 | 3.45 | 35 | 35 | 270 | 4-Φ17×25 | 4-Φ19 | 4-Φ16 |
| 40 | 150 | 110 | 105 | 3.88 | 45 | 40 | 280 | 4-Φ19×25 | 4-Φ19×25 | 4-Φ19×25 |
| 50 | 160 | 125 | 120 | 4.74 | 51 | 42 | 300 | 4-Φ19×26.5 | 4-Φ19×26.5 | 4-Φ19×26.5 |
| 65 | 180 | 145 | 140 | 5.49 | 66 | 47 | 310 | 4-Φ19×26.5 | 4-Φ19×26.5 | 4-Φ19×26.5 |
| 80 | 200 | 160 | 150 | 6 | 79 | 45 | 400 | 8-Φ19×25 | 8-Φ19×24 | 4-Φ19×25 |
| 100 | 220 | 180 | 175 | 7.5 | 98.5 | 55 | 410 | 8-Φ19×32 | 8-Φ19×32 | 8-Φ19×32 |
| 125 | 250 | 210 | 210 | 8.5 | 125 | 65 | 500 | 8-Φ23×33 | 8-Φ33×33 | 8-Φ33×33 |
| 150 | 290 | 240 | 240 | 9.51 | 148 | 75 | 530 | 8-Φ23×34 | 8-Φ23×34 | 8-Φ22×34 |
| 200 | 340 | 295 | 290 | 11.75 | 201 | 85 | 600 | 8-Φ23×33.5 | 12-Φ23×27 | 8-Φ23×33.5 |
| 250 | 406 | 350 | 355 | 14.25 | 245.5 | 110 | 650 | 12-Φ23×32.5 | 12-Φ25×32.5 | 12-Φ25×32.5 |
| 300 | 483 | 400 | 400 | 17 | 291.5 | 115 | 750 | 12-Φ23×42.5 | 16-Φ25 | 12-Φ26×42.5 |
| 350 | 533 | 460 | 445 | 18.78 | 340 | 127 | 850 | 16-Φ23×25 | 16-Φ25 | 16-Φ30×32 |
| 400 | 597 | 515 | 510 | 21.26 | 399 | 140 | 950 | 16-Φ27×43 | 16-Φ27 | 16-Φ30×43 |
| 450 | 635 | 565 | 565 | 22.76 | 446 | 150 | 1050 | 20-Φ26×28.5 | 20-Φ26×28.5 | 16-Φ32×34.5 |
| 500 | 700 | 620 | 620 | 25 | 494 | 150 | 1140 | 20-Φ26×44 | 20-Φ26×44 | 20-Φ32×44 |
| 600 | 815 | 725 | 730 | 29.53 | 570 | 170 | 1290 | 20-Φ35×47.5 | 24-Φ33 | 20-Φ35×47.5 |
| 700 | 928 | 840 | 840 | 34.02 | 670 | 185 | 1530 | 24-Φ31×44 | 24-Φ33 | 24-Φ35 |
| 800 | 1060 | 950 | 950 | 38.5 | 755 | 220 | 1690 | 24-Φ41×60 | 28-Φ33×38 | 24-Φ41×60 |
| 1000 | 1230 | 1160 | 1160 | 46.26 | 935 | 236 | 1800 | 28-Φ36×52 | 28-Φ39 | 32-Φ41 |
Step 1: Order and Design
Based on the customer’s operating conditions (pressure, temperature, and medium), confirm the specifications and materials (e.g., PVC, CPVC, PP) of the electric butterfly valve, as well as the actuator parameters, and complete the structural design and drawing output.

Step 2: Raw Material Preparation & Molding
Select high-quality plastic raw materials and perform drying treatment. Mold key components such as the valve body and disc using injection molding or compression molding processes to ensure dimensional stability and corrosion resistance of the electric butterfly valve.

Step 3: Machining
Perform precision machining (such as turning and milling) on the valve body sealing surfaces, shaft bores, and other critical areas to ensure the sealing performance and assembly accuracy of the electric butterfly valve.

Step 4: Assembly
Assemble the valve body, valve disc, valve stem, and seals, and install the electric actuator to complete the overall assembly and commissioning of the electric butterfly valve.

Step 5: Testing & Quality Assurance
Conduct seal testing, strength testing, and electric actuator functional testing on the electric butterfly valve to ensure the product complies with international standards (such as ISO and DIN).

Step 6: Finishing, Packaging and Shipment
Clean and protect the product, apply labels, and package it to ensure the electric butterfly valve remains undamaged during transport, then arrange for shipment.

Widely used in automated piping systems across industries such as petroleum, chemicals, water treatment, power generation, and papermaking, these valves are primarily used for flow control and shut-off of fluids (water, gas, oil, and mildly corrosive media).
These valves are widely used in:

Oil and Gas

Chemical Processing

Power Plants

Water Treatment

Metallurgy and Mining

Agriculture and Irrigation






Superior Quality

Our valves are produced from high-grade materials and subjected to strict quality inspections to guarantee dependable performance in challenging industrial environments.
Advanced Technology

With cutting-edge CNC machining systems and high-precision manufacturing equipment, we ensure valves are made with outstanding accuracy and uniformity.
Competitive Pricing

By streamlining production processes and sourcing materials in bulk, we provide premium-quality valves at competitive prices while maintaining excellent standards.
Expert Support

Our skilled technical team offers full support from product selection through after-sales service, helping ensure the best valve performance for your application.
Request a Quote